A7V-EL斜軸式軸向柱塞泵、馬達
所屬分類
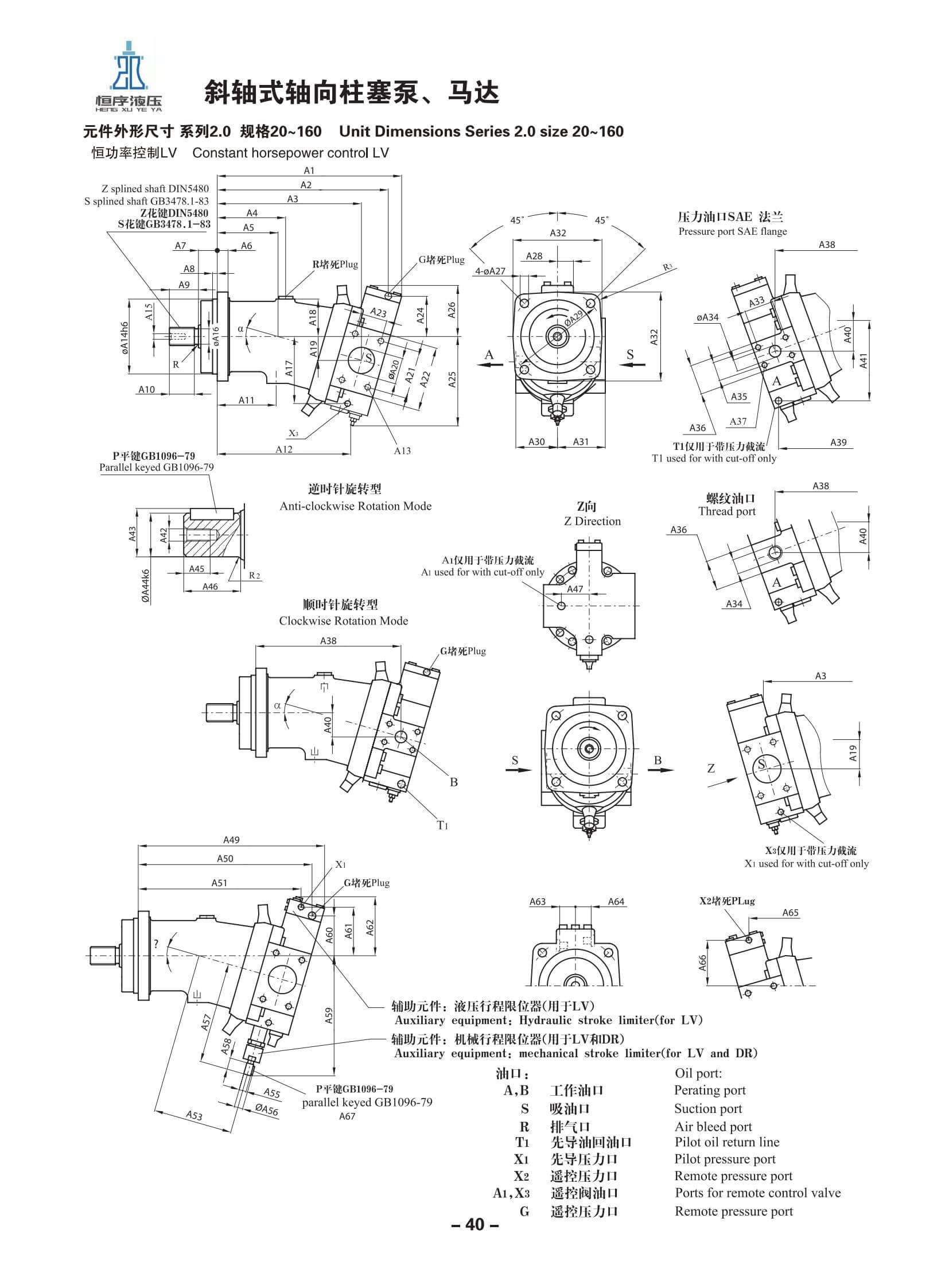
A7V系列斜軸式軸向柱塞泵、馬達
關(guān)鍵詞
A7V-EL斜軸式軸向柱塞泵、馬達
電話:15962829010
Copyright ? 2021 啟東市盛德機械制造有限公司 All Rights Reserved 蘇ICP備2021054463號


























15962829010
928447470@qq.com
客戶反饋